DDPA vous propose toutes les pièces détachées Carraro neuves et d'origine constructeur pour vos tracteurs et engins TP de toutes marques :
- Transmission
 - Pont avant Carraro et pont arrière Carraro
 - Boîte de vitesse Carraro
 - Convertisseur
 
Pour en savoir plus : ddpa-carraro.com
Nos pièces détachées Carraro sont d’origines constructeurs, elles sont ainsi adaptables à vos tracteurs, engins agricoles et de travaux publics, quelle que soit leur marque. L’exemple par l’image avec les différents cas où la transmission Carraro peut être utilisée.




Si vous avez un doute pour identifier la transmission qui vous est nécessaire, vous pouvez simplement nous communiquer les références notées sur la plaque de votre tracteur, engin agricole ou de travaux publics et nous vous conseillerons.

Référez-vous au visuel ci-dessus pour identifier la référence.
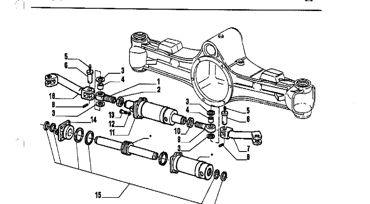
Vues éclatées Carraro :
Afin de vous guider au maximum dans votre recherche de pièces détachées Carraro, nous mettons à votre disposition sur demande, une vue éclatée des pièces pour lesquelles vous faites vos recherches.
Ainsi, quelle que soit la pièce détachée que vous recherchez et, quel que soit l’engin (agricole ou de TP) vous pouvez nous indiquer les repères des pièces demandées : carraro-pdf.pdf

CARRARO REMAN
Grâce à son expérience dans la conception et la réalisation d'ensembles de transmission dédiés aux matériels industriels, routiers et agricoles, CARRARO est en mesure de proposer des boîtes à vitesse et pont avant tracteur Carraro remanufacturés en usine Carraro Reman.
Le service Carraro Reman:
| 1 -La demande de produits Carraro Reman est effectuée par le client via DDPA à l'usine | ![]()  | 
|
![]()  | 
2 - Le produit Carraro Reman disponible sur stock-usine est expédié rapidement | |
| 3 - Après analyse de l'ensemble à reconstruire, le processus de réparation complet commence | ![]()  | 
|
![]()  | 
4 - Le produit ainsi reconstruit est testé sur les bancs d'essai Carraro, repeint et mis sur stock | |
Les avantages des produits Carraro Reman:
- - La livraison d'un ensemble reconditionné Carraro (boite de vitesse Carraro ou pont avant Carraro) peut se faire rapidement et minimiser les durées d'immobilisation de vos machines
 - - Le remplacement d'un ensemble usagé par un ensemble garanti Carraro Reman participe à conserver la valeur de votre matériel
 - -Garantie de qualité car tous les ensembles reconstruits ne comportent ques des pièces détachées neuves Carraro
 - - Les produits Carraro Reman sont garanties car tous les tests de qualité sont réalisés sous contrôle de Carraro Qualité Eco produit car les transmissions usées ou cassées sont ainsi récupérées, transformées, réexploitées
 
N'hésitez pas à nous demander des renseignements par mail à ddpa@ddpa.fr ou par téléphone au 05.59.88.00.66.
      
      
					
   
   
   
   




